nichtzugeordneteraeume
Dies ist eine alte Version des Dokuments!
Inhaltsverzeichnis
Fehlende Raum-, Wohnungs- und Stockwerksbezeichnung
Nicht verbundene Symbole
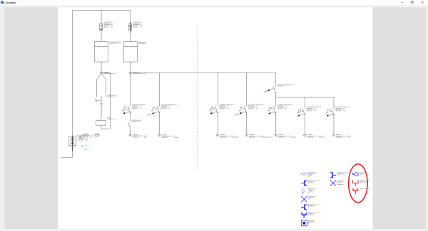
Welche Symbole sind noch nicht verbunden bzw. angeschlossen
Es gibt 2 Möglichkeiten sich die noch nicht angeschlossenen bzw. verbunden Symbole anzeigen zu lassen.
1. 'Projektverwaltung' - 'Anzeigen'
Hier werden alle noch nicht verbundenen Symbole unten rechts angezeigt.
Diese Darstellung kann nach dem Schließen der Anzeige als Bild eingefügt werden: einfach mit der Maus das Bild aufziehen.
2. 'Projektverwaltung' - 'Datentests' - 'Stromlauftest'
- öffnen Sie einen P-CAD und einen S-CAD
- klicken Sie unter Projektverwaltung auf Datentests - Stromlauftest
- ganz unten finden Sie nun den Reiter 'Fehlerliste'
- hier werden alle Symbole aufgelistet, die noch nicht verbunden sind
- klicken Sie auf ein Symbol in der Liste, wird dieses Symbol im Plan markiert und kann verbunden werden
Noch nicht angeschlossene Symbole verbinden
- Aktivieren Sie die 'Stromlaufautomatik' unter 'Projektverwaltung'
- Aktivieren Sie die Indexautomatik unter 'Extras'
- Markieren Sie den entsprechenden Automaten im Stromlaufplan
- Klicken Sie auf den Installationsplan (P-CAD)
- Starten Sie den 'Stromlauftest' unter 'Projektverwaltung' - 'Datentests'
- Klicken Sie auf das entsprechende Symbol in der Fehlerlist
- das Eigenschaftenfenster mit der Stromkreisnummer öffnet sich
- das Symbol wird verbunden
Datentest beenden
nichtzugeordneteraeume.1576054451.txt.gz · Zuletzt geändert: von comtech


